| 09562615712 | HARTING | D SUB вилка пр 26к | Datasheet Инструкция (Скачать PDF) |
- Описание
-
Описание:
09562615712 | HARTING | D SUB вилка пр 26к
Технические характеристики 09562615712 :
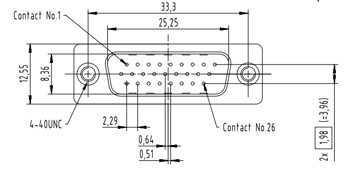
D SUB HD MA STR 26P S4_4-40 NUT.
Производитель HARTING
Сроки поставки: СКЛАД
или под заказ 4-6 недель
Название- Категория Соединители
- СерияD-Sub
- НазваниеHigh Density
- Элемент Соединитель
- Описание контактов
ШтампованныйПрямой
Версия- Метод подключения Подключение методом пайки волной припоя
- Тип Вилка
- РазмерD-Sub 2
- Число контактов26
- Крепление печатной платы С фиксаторами для платы
- Тип блокировки Крепежный резьбовой фланец 4-40 UNC
Технические характеристики- Расстояние между рядами1,98 mm
- Шаг контактов (сторона подключения)2,29 mm
- Номинальный ток 2 A
- Расстояние между проводниками≥ 1 mm
- Длина пути тока утечки≥ 1 mm
- Сопротивление изоляции> 5 x 109 Ω
- Сопротивление контактов< 20 mΩ
- Момент затяжки≤0,6 Nm Винтовой замок розетки
- Предельная температура-40 ... +85 °C
- Уровень исполнения
NM 30 (S4)1
- Циклы стыковки≥ 500
- Испытательное напряжение Uср.кв.1 kV
- Изоляционная группаIIIa (175 ≤ CTI < 400)
- Толщина печатной платы1,6 mm
- Монтажная высота 6,1 mm
- Hot pluggingНет
Свойства материала- Материал (контактная вставка)
Термопластичная смола, армированная стекловолокном (PBTP)Кожух: сталь, никелированная
- Цвет (контактная вставка)Черный
- Материал (контакты)Медный сплав
- Поверхность (контакты)
Благородный металл поверх Ni Сторона соединенияSn поверх Ni Сторона подключения
- Толщина слоя≥ 0,76 µm
- Толщина слоя≥ 30 µinch
- Группа горючести материала согласно UL 94V-0
- RoHSусловно совместим
- Исключения из RoHS6(c): медный сплав с массовой долей свинца до 4 %
- Состояние ВЭА условно совместим
- China RoHS50
- Жидкости из приложения XVII к предписанию REACHНе содержится
- Жидкости из приложения XIV к предписанию REACHНе содержится
- Особо опасные жидкости предписания REACHДа
- Особо опасные жидкости предписания REACHСвинец
- Номер ECHA SCIPecef7555-f643-4ceb-a337-fc54762297f1
- Законопроект 65 штата Калифорния Да
- Законопроект 65 штата Калифорния Свинец
- Требование с учетом уровней опасностиR26
Спецификации и допуски- СпецификацииDIN 41652
- UL / CSAUL 1977 ECBT2.E102079
Коммерческие данные- Размер упаковки100
- Вес нетто8,54 g
- Страна изготовления Китай
- код ТН ВЭД ЕС85366990
- GTIN5713140071582
- eCl@ss27440214 D-Sub coupler
- Категория Соединители
- Аксессуары и аналоги
-
- Отзывы
-
ОтзывыЗарегистрируйтесь, чтобы создать отзыв.

