- Описание
-
Технические характеристики 09654617712 :
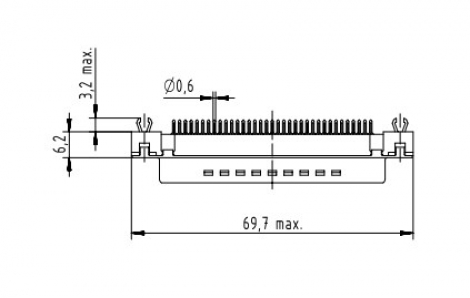
DSUB SV MA SSDP STR 37P PL3 GC 4-40.
Производитель HARTING
сроки поставки 1 неделя
Артикул 09 65 461 7712 Описание вилка 37к Чертёж
PDFНазвание Категория Соединитель Серия D-Sub Название Стандарт Элемент Вилка Спецификация ШтампованныйПрямой Метод подключения Подключение методом пайки волной припоя Тип блокировки Крепежный резьбовой фланец 4-40 UNC Версия Число контактов 37 Уровень исполнения 3 Крепление печатной платы С фиксаторами для платы Технические характеристики Номинальный ток 6,5 A Расстояние между проводниками ≥ 1 mm Длина пути тока утечки ≥ 1 mm Сопротивление контактов ≤ 10 mΩ Предельные температуры -55 ... +125 °C Усилие вставки ≤ 123 N Испытательное напряжение Uср.кв. 1 kV Воспламеняемость согласно UL 94 V-0 Свойства материала Материал (контактная вставка) Термопластичная смола, армированная стекловолокном (PBTP)Плакированная сталь Материал (контакты) Медный сплав Вес нетто 16,08 g - Аксессуары и аналоги
-
- Отзывы
-
ОтзывыЗарегистрируйтесь, чтобы создать отзыв.

